
- מכונת כביסה לבקבוקי זכוכית VK-BR
- מכונת מילוי שמן VK-PF 4 ראשים
- מכונת מכסה ואקום של VK-VC
- מכונת תיוג בקבוקים עגולים VK-RPL
ניתן להתאים את קו המילוי האוטומטי לחלוטין בהתאם לדרישות הלקוח ולדגימות המוצעות על ידי הקונה. כמו להלן רשום את המידע הבסיסי עבור קו מילוי אוטומטי לחלוטין זה לתעשיית המזון:
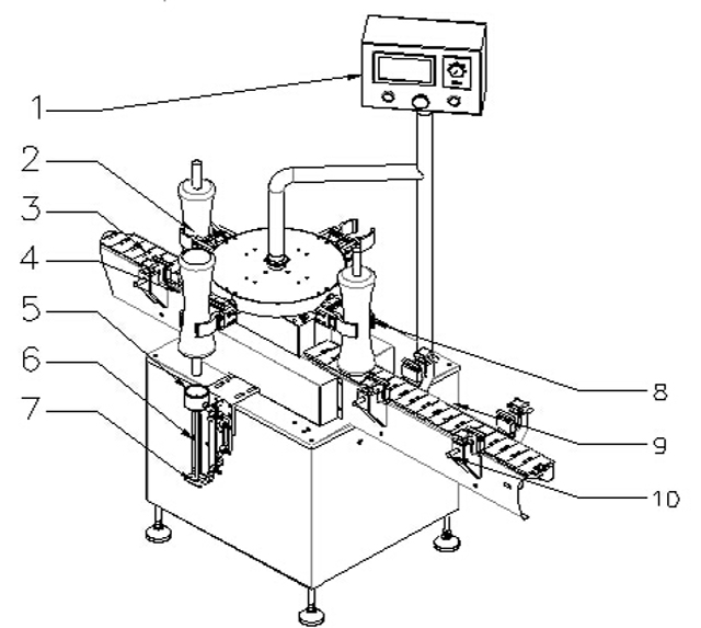
בקבוקי זכוכית ציוד לשטיפת ואקום של Machien לשטיפת אוויר
זוהי מכונת שטיפת בקבוקים אוטומטית באוויר. הקיבולת תלויה בחרירי שטיפת אוויר.
מדחס אוויר מעביר את האוויר בתוך מיכל הוואקום, הגז דרך שסתום הסולנואיד ומחולל היונים טוהר, שמפו גז קנה הנשימה נושף גז לבקבוקים דרך הפה לשטיפת הגז, נושף זר החוצה מפה שטיפת הגז בלחץ הגז, חזרה גז פסולת מותש מקנה הנשימה החוצה באמצעות בקרת פליטה.

| 1 | לוּחַ בַּקָרָה | 2 | בקבוקים |
| 3 | חגורה לבקבוקי האכלה | 4 | חיישן להאכלת בקבוקים |
| 5 | מבנה לקיבוע בקבוקים | 6 | הזרקת שטיפה |
| 7 | Tuyere אלקטרוסטטי | 8 | נקודת קיבוע של בקבוקים |
| 9 | חגורה לפלט של בקבוקים | 10 | סרגל מנחה |
פרמטר בסיסי של מכונת כביסה אוויר רוטרית אוטומטית לבקבוקי זכוכית:

דגם: VK-BR
חליפה לבקבוק: 20-1000 מ"ל
כושר ייצור: 8 חרירי ניקוי: 3600~4800bph
טווח לחץ אוויר: 6 ~ 8 ק"ג/סמ"ר
צריכת אוויר: 25m3/h
ספק כוח: 220V 50/60Hz
צריכת חשמל: 0.75Kw
רעש מכונה בודד: ≤70dB
אוויר מטוהר: 0.2 מיקרומטר
זמן ניקוי: 3 ~ 5 שניות
משקל נטו: 350 ק"ג
ממד כולל: 1200 x 800 x 1600 מ"מ
מכונת מילוי שמן 4 ראשים מילוי ליניארי

מכונת מילוי זיתים בעלת 4 ראשים, הנשלטת על ידי המיקרו-מחשב, משלבת את הפוטואלקטריות עם פעולה פנאומטית, ולכן מיושמת באופן נרחב למילוי נוזלי של כימיקל חקלאי, תמיסה, חומר ניקוי נוזלי, קוסמטיקה כמו גם זית.
נפח המילוי מדויק, נטול קצף ויציב. המכונה יכולה למלא את הנוזל בטווח שבין 25-1000 מ"ל, בינתיים אין דרישה מיוחדת לצורות של בקבוקים. כלומר, הוא יכול למלא את הנוזל לבקבוקים הרגילים וגם לבקבוקים בצורת איררוגולה.

דגם: VK-PF
טווח מילוי: 50 ~ 3000 מ"ל
מהירות מילוי: <20-30b/m (עבור 500-1000 מ"ל נוזל)
דיוק: ±1%
הספק / הספק: 0.8kw, 220v
לחץ עבודה: 5 ~ 6 ק"ג/סמ"ק
צריכת אוויר: 0.5-0.7מפא
NW: 500 ק"ג
גודל חיצוני: 2000×800×1900 מ"מ
סִימָן: ניתן לעצב ולייצר את חרירי המילוי על פי דרישות הלקוחות על טווח המילוי ומהירות המילוי
מכונת מכסה ואקום ליניארי Vk-Vc צנצנות מכסה ציוד:
מכונת מכסה ליניארית זו נחקרה ופותחה על ידי החברה שלנו עם שנים של ניסיון, היא ייחודית בתחום המקומי. סידור מכסה אוטומטי משולב עם כיסוי, מכסה ואקום.
אימצה משאבת ואקום ידנית להשגת ואקום גבוה. עם הפונקציות של ללא בקבוק ללא כיסוי, מדאיג כאשר אין מכסים זמינים. נהניתי מאוטומציה גבוהה. החלקים הפנאומטיים והחשמליים העיקריים הם של מותגים מפורסמים בעולם.
עם ביצועים יציבים ואמינים. הוא נמצא בשימוש נרחב עבור מכסה ואקום של צנצנות זכוכית עם מכסי ברזל בתעשיות של שימורים, משקאות, תיבול, מוצרי בריאות וכו '.

הספק: ≤2.3KW (כולל משאבת ואקום)
כושר ייצור: 50-60BPM
קוטר המכסה: ¢30-¢55 מ"מ ¢50-¢85 מ"מ
גובה הבקבוק: 80-250 מ"מ
קוטר הבקבוק: ¢30-¢85 מ"מ
ואקום מקסימלי: -0.08מפא
פיתול מכסה: 5-20N.M
צריכת אוויר: 0.6M3/0.7Mpa
מידות המכונה: כ-3000×1000×1900 מ"מ
משקל: כ-850 ק"ג
Vk-Rpl מכונת תיוג צנצנות בקבוקים עגולים

בַּקָשָׁה: דרוש משטח היקפי של התווית או המוצר המחוברים לממברנה.
תַעֲשִׂיָה: בשימוש נרחב בתעשיות מזון, רפואה, קוסמטיקה, קוסמטיקה, אלקטרוניקה, מתכת, פלסטיק ותעשיות אחרות.
בַּקָשָׁה: תיוג בקבוק עגול PET, תיוג בקבוקי פלסטיק, שימורים וכן הלאה.

אורך תווית מתאים (מ"מ): 20 מ"מ ~ 314 מ"מ
רוחב תווית ישים (רוחב נייר גיבוי / מ"מ): 15 מ"מ ~ 150 מ"מ
קוטר מוצרים ישימים (עבור בקבוק עגול) וגובה: קוטר: φ25 מ"מ ~ φ100 מ"מ
גובה: 25 מ"מ ~ 230 מ"מ
קוטר גליל סטנדרטי ישים (מ"מ): φ280 מ"מ
קוטר גליל סטנדרטי (מ"מ): φ76 מ"מ
דיוק תיוג (מ"מ): ± 1 מ"מ
המהירות הסטנדרטית (מ'/דקה): סרוו: 5 ~ 25 מ'/דקה צעדים: 5 ~ 19 מ'/דקה
מהירות תיוג (יח' לדקה): צעד: 30 ~ 80 יח' לדקה (עם גודל הבקבוק והתווית)
סרוו: 40 ~ 120 יח' לדקה
מהירות מסוע (מ'/דקה): 5 ~ 25 מ'/דקה
משקל (ק"ג): כ-185 ק"ג
תדר (HZ): 50HZ מתח (V): 220V
הספק (W): 530W (סטפר מתיחה) 980W (סרוו מתיחה)
מידות המכשיר (מ"מ) (L × W × H): 1950 מ"מ × 1100 מ"מ × 1300 מ"מ


אריזת מארז עץ:

שירות לאחר מכירה עבור קו מילוי

אנו מבטיחים את איכות החלקים העיקריים תוך 12 חודשים. אם החלקים העיקריים משתבשים ללא גורמים מלאכותיים תוך שנה, אנו נספק אותם באופן חופשי או נשמור אותם עבורך. לאחר שנה, אם תצטרך להחליף חלקים, אנו נשמח לספק לך את המחיר הטוב ביותר או לשמור אותו באתר שלך. בכל פעם שיש לך שאלה טכנית בשימוש בו, אנו נעשה כמיטב יכולתנו כדי לתמוך בך.
הבטחת איכות:
היצרן יבטיח כי הסחורה עשויה מהחומרים הטובים ביותר של היצרן, עם ביצוע מהשורה הראשונה, חדשה לגמרי, ללא שימוש ומתכתבת בכל המובנים עם האיכות, המפרט והביצועים כפי שנקבעו בחוזה זה. תקופת אחריות איכות היא בתוך 12 חודשים מתאריך B/L.
היצרן היה מתקן את המכונות המועסקות בחוזה ללא תשלום במהלך תקופת אחריות האיכות.
אם התקלה יכולה לנבוע משימוש לא נכון או מסיבות אחרות על ידי הקונה, היצרן יגבה את עלות חלקי התיקון.
התקנה ואיתור באגים:
המוכר ישלח את המהנדסים שלו כדי להדריך את ההתקנה ואיתור הבאגים. העלות תהיה אחראית מצד הקונה (כרטיסי טיסה הלוך ושוב, דמי אירוח במדינת הקונה). על הקונה לספק סיוע באתר שלו להתקנה ואיתור באגים.









