
- מהירות מכסה: 15-30 חתיכות/דקה
- מתח מדורג: 110V/60Hz (תקן ארה"ב)
- כוח מכונה: 0.8KW
- אמפר: 2.2A
- ממד חיצוני: 2230*1460*1600 מ"מ (L*W*H)
- לחץ אוויר: 0.7 MPa
- משקל: כ-300 ק"ג
הודעה לפני הפעלת מכונת מכסה הבקבוקים
1: לפני שהמכונה מחוברת לחשמל, ודא שמתג ההפעלה במצב סגור ולאחר מכן פעל לפי ההוראות.
2: אם המכונה לא פועלת במשך זמן רב, יש לנגב אותה בחתיכת מטלית יבשה ואסור לנקות אותה בחומר ניקוי מאכל כלשהו.
3: אסור בתכלית האיסור לפרוץ כל נוזל לתוך הקופסה החשמלית של המכונה, כדי למנוע קורוזיה לרכיבים החשמליים הפנימיים ולגרום לקצר חשמלי.
4: בדוק בהתאם לרשימת האריזה של הציוד דגמים, מפרטים וכמות הציוד והחומרים כדי לוודא שהם עומדים בדרישות העיצוב ותקני המוצר ובליווי תעודות התאמה.
5: בדוק את מראה הציוד כדי לוודא שהוא נקי מכל עיוות, נזק וקורוזיה, וכל הצירים שהם צריכים להיות מסתובבים בצורה גמישה ללא כל חסימה.
6: מכונה זו פועלת תחת AC 110V חד פאזי, ויש לחבר את תקע החשמל השטוח בעל שלוש הרגליים לשקע החשמל עם חוט הארקה.
פרמטרים טכניים

- מהירות מכסה: 15-30 חתיכות/דקה
- מתח מדורג: 110V/60Hz (תקן ארה"ב)
- כוח מכונה: 0.8KW
- אמפר: 2.2A
- ממד חיצוני: 2230*1460*1600 מ"מ (L*W*H)
- לחץ אוויר: 0.7 MPa
- משקל: כ-300 ק"ג
מכונת מכסה לפרטים:



מבני המכונה

תיאור עין חשמלית סיב אופטי
עין חשמלית לזיהוי בקבוקים:

כאשר היא מופעלת במצב אוטומטי, מטרת העין החשמלית הזו היא לזהות בקבוקים נכנסים.
כאשר הבקבוק הנכנס מזוהה, "הפטפון" מסתובב.
מכסה-משלוח עין חשמלית

כאשר היא מופעלת במצב אוטומטי, מטרת העין החשמלית הזו היא לזהות כיסויים נכנסים.
כאשר מזוהה המכסה הנכנס, "מנגנון ההוצאה" עולה לנטילת חומר.
מכסה-משלוח עין חשמלית

כאשר היא מופעלת במצב אוטומטי: מטרת העין החשמלית הזו היא לזהות בקבוקים נכנסים.
כאשר מזוהה הבקבוק הנכנס, "מנגנון מכסה הנעילה" מסובב את מכסה הנעילה כלפי מטה.
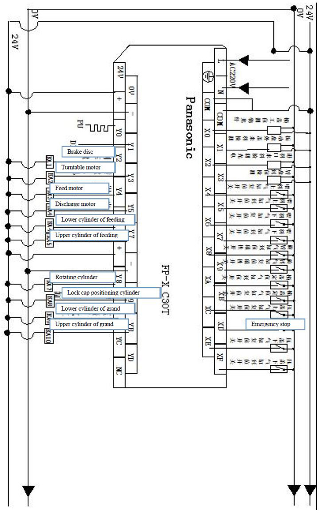
לחצן מתג ויציאת חיווט
מסך מגע ועצירת חירום

מנוע הזנה ומכסה בקר לוח רטט

בקר לוח רטט

בקר לוחית רטט: על ידי התאמת המתח, כוונן את מהירות הפריקה.
מתג הפעלה ושקעים

בקר מנוע

שנאי תדר: על ידי התאמת לחצן שנאי התדר, כוונן את מהירות המנוע.
שיטת אזעקה ופתרון תקלות:
1. עצירת חירום נלחצה. דחוף את מעצורי החירום על מכסה המכונה וליד מסך המגע.
2. הפלט מגיע לערך שנקבע. הגדר את הפלט, לחץ על לחצן הניקוי כדי לנקות את הפלט הנוכחי.
3. כאשר כובעים אינם מזוהים במשך תקופה ארוכה של זמן, אנא בדוק. בדוק את סיב האינדוקציה של פקק הבקבוק אם הוא מסופק היטב. בדוק אם מכסים מונחים או לא.
4. כאשר בקבוקים אינם מזוהים במשך תקופה ארוכה, נא לבדוק. בדוק אם הבקבוקים נמצאים במקומם.
התאמת עין חשמלית:
מבנה מגבר

תרשים עבור סיבים אופטיים:

1. מוט מנעול סיב אופטי
2. מחוון מצב הפעלה
3. הגדר
4. נורית חיווי DSC
5. צג דיגיטלי
6. כפתור ידני
7. כיסוי הגנה מורחב
8. מחבר הרחבה
9. מתג בורר כוח
10. כפתור מצב
11. בורר פלט
12. כבלים
13. מגן אבק
14. הגדר ערך (בירוק)
15. ערך נוכחי (באדום)
תהליך עבודה עבור הגדרת סיבים אופטיים
- כאשר העין החשמלית נופלת בפער, ערך הזרם האדום הוא 144.
- כאשר העין החשמלית נופלת על התווית, ערך הזרם האדום הוא 4.
- התאם את הערך שנקבע", בערך 1/2 מהערך שהעין החשמלית נמצאת על נייר הגוף (ברווח בין העצמים שיזוהו) והערך שהעין החשמלית נמצאת על הנייר הערך שנקבע הוא (144 4)/2=74, כוונן את הלחצן הידני כדי להתאים את הערך המוגדר ל-74.
- הזיזו את מרווח התווית קדימה ואחורה במיקום העין החשמלית ואת "נורית האות/נורית החיווי" האדומה.
תרשים מעגל



מכונת כיסוי בקבוקים לתחזוקה

1. יש צורך לבדוק ולתחזק את המכונה כדי להאריך את המכונה ולייעל את תפקוד המכונה;
- יש לתחזק את המכונה הפועלת כל שלושה חודשים;
- יש לשמן את חלק המיסבים והעברת ההילוכים בשומן;
- השימון חייב להיעשות מעת לעת;
- יש להוסיף את שמן דרך ההחלקה (N68) לתוך החלק כמו תנועה של מנגנון הדדי או הרמה פעמיים בכל יום;
- יש להוסיף את שמן הרכב (N68) לחלקים הסיבוביים או המתנדנדים;
- כל חצי חודש הוסף את השומן לתוך חריץ הפיקה;
- כל חודש פעם אחת עבור פיית שמן על ידי הוספת השומן;
2. לעולם אל תשתמש בכלי מתכת כדי לפגוע או לגרד את פני השטח שבו ההדבקה מתקבצת על החלקים כמו רכיבים או עובש.
3. אם המכונה מפסיקה לפעול במשך זמן רב הוסף את השומן לשימון בחלקים כמו תיבת הילוכים או חלק מיסב; טפלו במכונה גם בהגנה עמידה למים.
4. לעולם אל תניח חפצים כלשהם על המכונה פן יפגע במכונה.
5. נקו את האבק בתוך הרכיבים מעת לעת גם בדוק את כל הברגים ותקן כל בורג שהשתחרר.
6. בדוק את הברגים במסופים עבור חיווט בזמן מסוים וודא שהבורג קבוע;
7. בדוק אם יש תחנה רופפת בנתיב החיווט המתוח מקופסאות החשמל; אם החלק רופף מדי, יש לתקן מחדש את הבורג על מנת למנוע שחיקה או נזק בשכבת הבידוד שעלולים לגרום לנזילת החשמל.
8. בדקו את הטפיחות הנלבשות בקלות והחליפו את הטפיחות הפגומות בזמן;









