
- ראשי מכסה: 2 יחידות נסיעת סרוו-מוטו
- מתח: 220V, 50/60HZ;
- הספק: 3.0 קילוואט
- לחץ אוויר: 0.5–0.7Mpa
- אמפר: 8.5A
- מהירות: 40-45/דקה (מותאם אישית לפי צורות וגדלים של צנצנות)
- קוטר מוצר מתאים: מכסים φ28-φ125 מ"מ (מותאם אישית לא סטנדרטי)
- שיעור מעבר בלוטות: ≥99.5% (תלוי בשגיאת המכסה והבקבוק)
- גודל מכונה: 3300*1150 מ"מ*1908 מ"מ
- משקל: 450 ק"ג
לפני שתפעיל את הכוח של המכונה. אנא קרא מדריך זה בעיון לענייני בטיחות ושימוש נכון במכונה. כדי למנוע תאונות אדם ולהפחית את תדירות הנזק למכונה.
במקרה של מוצרים קורוזיביים, הקפידו להימנע מהחפצים המאכלים שנוגעים או ניתזים על המכונה עצמה ועל הצוות.
- הימנע משימוש במכונה במקומות הנתונים לרטט או התנגשות.
- כאשר המכונה פועלת, גוף הצוות אינו יכול לגעת בחלקים הנעים.
- יש להימנע מהמכונה במקומות לחים מדי. והכנס אותו לאספקת החשמל, חוט הארקה מוארק כהלכה, כדי למנוע תאונת בטיחות.
- על המפעיל לשמור על מצב גופני ונפשי תקין, אם אתה נוטל אלכוהול, כדורי שינה או תרופות אחרות הפוגעות במצב הנפשי שלך, הפסק להפעיל את המכונה.
- על המפעיל ללבוש בגדים מתאימים כדי למנוע פציעה הנגרמת כתוצאה ממעורבות הבגד בחלקים המתגלגלים ואסור להניח פריטים זרים על המכונה.
- אם מתרחשים רעש או חריגות אחרות במהלך השימוש, עצור מיד ובדוק. טכנאים שאינם מהנדסים, נא לא להעביר חלקי מכונות באופן שרירותי.
- תחזוקה וטיפול קבועים (פעם/שבועיים), הימנעות מהתזת מים או כל נוזל וקופסאות בקרה אלקטרוניות, או רכיבים חשמליים אחרים בעת ניקוי המכונה.
- אנא הפעל לפי נוהלי הפעלה רגילים ושמור על פני השטח של המכונה נקיים ומסודרים.
מכונת המכסה מיושמת על כל מיני קוסמטיקה, רפואה, רפואה וטרינרית, חומרי הדברה, שמן סיכה ותחומים תעשייתיים אחרים בתהליך האריזה.





עיקרון ותכונות של מכונת מכסה צנצנות:
- בקרה אוטומטית חשמלית, זה יציב;
- עם התקן מיקום מכסה, כיסוי נעול סטנדרטי, הפעולה נוחה;
- מנעול לכסות מגוון רחב, יכול לסובב צורות שונות מפרטים של כובע;
- מהירות מכסה, הכלא של ספין, עשויה בו-זמנית גם לפי הצורך להתאים את אטימות הריפוף לאחור.


פרמטרים בסיסיים של מכונת כיסוי צנצנות קוסמטיות:

1. מכסה ראשים: 2 יחידות סרוו-מוטו נהיגה
2. מתח: 220V, 50/60HZ;
3. הספק: 3.0Kw
4. לחץ אוויר: 0.5--0.7Mpa
5. אמפר: 8.5A
6. מהירות: 40-45/דקה (מותאם אישית לפי צורות וגדלים של צנצנות)
7. קוטר מוצר מתאים: מכסים φ28-φ125 מ"מ (מותאם אישית לא סטנדרטי)
8. שיעור מעבר בלוטות: ≥99.5% (תלוי בשגיאת המכסה והבקבוק)
9. גודל מכונה: 3300*1150 מ"מ*1908 מ"מ
10. משקל: 450 ק"ג
תיאור חלק המארח


מתג הפעלה: שליטה באספקת החשמל מופעל---כבוי.
מחוון הפעלה: הפעלה - אור ירוק דולק, כיבוי - אור ירוק כבוי.
עצירת חירום: משמש לעצירת המכונה מיד או לאיפוס הפונקציה בזמן חירום או תקלה.
1. התחל פוטואלקטרי: המכונה בפעולה, כאשר הזיהוי הפוטואלקטרי מזהה שיש בקבוק ויש לו מכסה, הפטיפון יכול להתחיל לעבוד. אם אחד משני הפוטואלקטריים אינו מזוהה, הפטיפון אינו מסתובב.
2. מקור פוטואלקטרי: הוא משמש לשליטה במנוע הדריכה כדי להניע את מיקום הפטיפון, כך שניתן להחדיר את הבקבוק לתוך הכיסוי בצורה חלקה.
3. פוטואלקטריות של מכסה: בדוק אם הכיסוי נמצא במקומו ומזהה פוטואלקטרית שיש פטיפון כיסוי לסיבוב.
4. כיסוי פוטואלקטריות: שליטה בהתחלה והעצירה של מכונת הכיסוי העליון, כאשר הכיסוי שמסופק על ידי מכונת הכיסוי העליון ממוין למיקום שזוהה על ידי הפוטואלקטרי, הפוטואלקטרי תמיד בהיר, מכונת הכיסוי נעצרת עבור הכיסוי, והכיסוי החכם מיושם .
5. נעילת כיסוי פוטואלקטריות: כאשר הבקבוק עם המכסה עובר, הזיהוי הפוטואלקטרי מזוהה, ומכסה הנעילה מופעל בהתאם לזמן ההשהיה שנקבע (הפרמטרים הספציפיים מותאמים בהתאם למהירות המסוע בעת כוונון המכונה).
6. מערכת כיסוי מנעול: הבקבוק עם המכסה זהה, עיכוב ההתחלה הפוטואלקטרי, עיכוב לבקבוק מהדק צילינדר, מכסה הנעילה מונמך, מכסה האחיזה - מכסה הברגה - שחרור האוחז - פקק הנעילה עולה - בקבוק הקליפ משוחרר, ותהליך מכסה הנעילה הושלם. במכסה המנעול, כאשר מכסה המנעול 1# נמצא במכסה המנעול, נכנס בקבוק נוסף. בשלב זה, צילינדר בקבוק מהדק 2# זז, ומכסה המנעול 2# מופעל כדי לנעול את המכסה. (כאשר המכסה שננעל על ידי ראש המנעול 2# עובר את בקבוק התפס 1#, אל תחזור על הפעולה מכסה מנעול.

תיאור ממשק אדם-מכונה

דף אתחול
3.1 דף האתחול כולל פעולות באנגלית, סינית, אם תבחר בלחצן סינית, היכנס לממשק הבא:

ממשק שני
לְהַפְסִיק: מתג ההפעלה של כל המכונה, גע במקש זה, המכונה פועלת במצב אוטומטי, גע שוב במקש זה, המכונה מפסיקה לפעול.
שער בדיקה: בדוק את פעולת המכונה.
מהירות פטיפון: ככל שפרמטר המהירות גדול יותר, ככל שהמהירות מהירה יותר, כך פרמטר המהירות איטי יותר. (אבל יש מגבלה מקסימלית).
עיכוב פטיפון: הגדרות זמן הפעלה של פטיפון, בהתאם לאפקט פועל חלק של הפטיפון להגדרה.
עיכוב מכסה: לאחר הפטיפון לתחנה המיועדת, השהה את זמן ההמתנה, מכסה פעולת הצילינדר.
זמן מכסה: הזמן הנדרש לאיטום הצילינדר.
תְפוּקָה: השלם את הרשומה של מספר כיסוי המנעול, ספירת ייצור נוחה. לחץ-איפוס-מקש כדי לנקות.
X1. X3. X14: בדוק אם הפוטואלקטרי נמצא במצב העבודה של ההשתקפות, קל לראות את פעולת מצב המכונה,
פרמטר מכסה: הקש על מקש זה והיכנס לממשק הבא:

הממשק הוא דף פרמטרים שיש להגדיר עבור כל פעולה של ראש הנעילה 1 # במערכת כיסוי מנעול סרוו, ההגדרה הסבירה של הפרמטרים מועילה ליציבות המכונה ולשיפור היעילות.
לַחֲזוֹר: לחץ על כפתור זה כדי לחזור לממשק השני.
I/O: לחץ על כפתור זה כדי להיכנס לממשק הבא:

נקודות מסדרת X: האם נקודת הקלט היא לזהות אם הפוטואלקטרי נמצא במצב עבודה, קל לראות את פעולת המכונה, תחזוקה קלה.
נקודות מסדרת Y: האם נקודת הפלט של רכיבי הביצוע של המצב הרגיל של משוב, יכול גם ללחוץ ידנית על מקש הבקרה כדי לבדוק אם רכיבי הביצוע תקינים.
מערכת הזנת כובעים: יכול להיות יציב ומסודר לפי כיוון הכיסוי שנקבע.
התאמת הטיה: ניתן לכוונן זווית סבירה כדי לשלוט במכסה ההפוך אינו מטפס לתוך המגלשה.
ויסות ממיר תדרים: לשלוט על מהירות הכיסוי.


תחזוקת ציוד לכיסוי צנצנות:
1. שמרו על המכונה במצב של כיבוי וכיבוי גז כדי להבטיח את הבטיחות. שמור על המכונה נקייה ומסודרת, ללא כל מיני דברים על המכונה, ללא חפצים קטנים, אביזרים, ברגים וכו'.
2. ושמן הסיכה מתווסף באופן קבוע על מנגנון החלק הנע כדי להבטיח מצב ריצה טוב של המנגנון.
3. שחרר מים מיחידת מסנן האוויר באופן קבוע והוסף שמן סיכה כדי להבטיח שימוש נכון בצילינדר ולהארכת חיי השירות.
4. בדוק ותקן את המכונה באופן קבוע. שפוט את מצב ההפעלה של הציוד באמצעות ראייה ואוזן כדי לוודא שהמכונה פועלת היטב.
פֶּתֶק: נא להשתמש ולתחזק בהתאם להוראות, תקופת האחריות אסורה בהחלט לפתוח ולפרק, אחרת הנזק שנגרם על ידי זה כנזק אנושי, ללא תיקון חינם. הוראה זו נתונה לשינוי ללא הודעה מוקדמת; אם עדיין קיימת אי ודאות לגבי פעולתה של מכונה זו, אנא התקשר אלינו בכל עת לבירורים
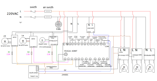
סכימה חשמלית מצורפת:

מכסים אטומים מוגמרים דוגמים את מכונת כיסוי הצנצנות:





סימנים: עבור הצנצנות השחורות המרובעות בגלל שהפקקים עלולים להישרט, היא מתוכננת עם מערכת האיסוף למשוך את פקקי הצנצנות מהמגשים ולהכניס אותם לתחנת המכסה המוכנה לתהליך סגירת המכסים. עקרון העבודה המפורט מומחש כדלקמן: תהליך עבודה:
1. הכנסת המכסים למגש ידנית (15*15 או 10*10)

2. הכנסת המגשים לתחנת האיסוף המוכנה
3. רובוטים אוספים את הצנצנות

4. מיקום הבקבוקים וסיום תהליך המכסה
5. פלט צנצנות מכוסות











